PRO TECHNICIAN

Introduction to using the EWD

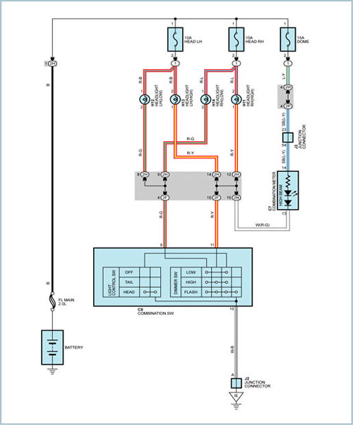
System Circuits

In the "SYSTEM CIRCUITS" section, the drawings show the layout of the complete system, from the power supply to the ground points, and the relationship between all of the electrical parts included in the circuit such as the wire harnesses, connectors, relays and fuses. Each connector and pin is provided a code and number to allow easy identification when searching for the item in other sections of the publication or on the vehicle during inspection and testing.

(6)