PRO TECHNICIAN

Introduction to using the EWD

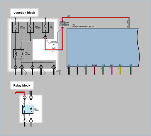
Junction Block and Relay Block

Click on the underlined sentence.
The highlighted area shows a junction block. The junction block has the function of grouping and connecting electrical circuits inside the block and combining relays, fuses, circuit breakers and other devices to the internal circuit boards. Some sections of the junction block do not contain any devices but serve to act as a connector.
A relay block has a nearly identical construction to that of a junction block, but it does not group and connect electrical circuits inside the block.
The EWD identifies Junction blocks and Relay blocks as follows.
Junction block: uses a grey background.
Relay block: background has no colour
1. Junction block number and connector code
2. Connector pin number
3. Pin number
4. Internal wiring

(16)